A radio operated four socket mains
controller
This project uses UK
plugs and sockets - if you live elsewhere on this large planet, your
equipment may look different.
This little project relies for most of the hardware on a gadget bought
in a
supermarket. The unit cost 15 pounds and consists
of a small remote control which
contains the transmitter and four receivers, which plug into any
available socket
and into which in turn you can plug any mains driven equipment that
uses up to 13 amps. The receivers can be programmed individually or in
groups and can then be turned on and off with the remote
control's buttons. It is a nice unit in its own right
and very useful for sockets in awkward places - like most power outlets
in my well equipped playpen.
It
occurred to me that this might be an ideal way to control mains
equipment with a computer. No dangerous voltages, no cables all over
the place and a nice, elegant addition to my favourite hobby - and so
it proved to be. This could also be a very useful help for a
handicapped person who can operate a computer, but can't reach mains
equipment, because the receiver unit can be in any socket in the same
or adjacent room, depending on radio propagation.
The
only brain work required involves tracing the layout of the
transmitter's circuit board. The switch connections form a matrix. Four
wires for the four receivers and two to select either on or off. It
turned out that the back of the PCB had convenient solder joints for
all connections. In fact, if the extra wires are carefully positioned
the unit remains totally functional and can be used either from the
computer or by hand.
Here
is how to proceed.
Remove
the battery and carefully open the case. Prise it open with a small
screwdriver applying pressure from all sides starting at the seam.
There are no screws, the two halves of the shell are held together by
four circular wedges. To re-assemble the unit you simply line up the
two halves and squeeze them gently together.
A
word of warning. I have destroyed at least one of these units with
static electricity. I would
strongly advise to use an earth strap before you touch the pcb.
The
back of the PCB is now exposed. Undo four small screws and remove the
pcb from the case. The switch side is now accessible and shown in the
photograph with the six new wires already attached. I have marked each
individual solder point with a white circle. The round silvery discs
are steel spring-discs which snap closed when pressed and hence close
the circuit. They are held in place, believe it or not - by bits of
scotch tape. You have to remove some of this in order to get at the
solder joints.
The
black and the white wires are connected to the
on/off signal (1 and 2 on the circuit diagram), the other four are for
the four sockets. If you connect any of these four wires to
the white, the corresponding On signal is sent, connect them to the
black and the Off signal is transmitted.
Once
the six wires have been attached put the pcb back
into its case, jiggle it about a bit to make sure that none of the
wires jam a switch and fasten the pcb with the four small screws. I
removed some plastic from the side of the casing to make room for the
wires. Close the unit, taking care that the little switch near the
battery does not jam and attach the connector to the ends of the wires.
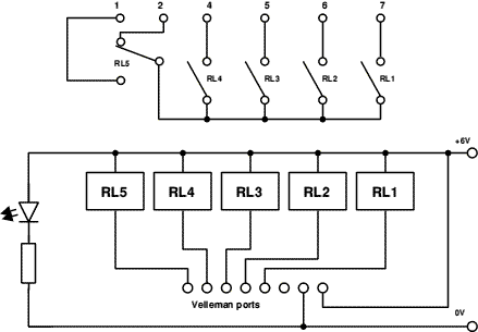
Designing
the interface was straight forward. The two systems are electrically
completely separated by the use of four reed relays and one small
changeover relay. The five relay coils are connected to five output
ports of the Velleman interface board.
A
suggested pcb layout is shown below.
If you can't get the (rather
ancient) reed relays I used, you will obviously have to redesign the
board to suit your own needs.

Below
is the complete
system. Any buttons activated via the Velleman board are transmitted to
the unit plugged into the socket. This in turn switches whatever it is
connected to on or off.
The
program
The
logic of this very simple effort is best explained with the help of the
truth table below.
In
my
set-up, the unit is connected to ports 3 to 7 of the Velleman
K8055 interface board. Port 1 and 2 are not used, hence they stay 0 at
all times. Port 3 is responsible for either On or Off, the
other ports send the signals to their respective receiver unit.
Example:
In
order to switch the receiver
connected to Port 3 On, we send the pattern 0001100 to the
output port, were the two rightmost zeroes represent ports 1 and 2,
which are not used but must have their place in the binary pattern.
To
turn Port 3 Off, we send the
pattern 0001000, and so on.
In the
simple program below I have assigned
the keys 1-Q, 2-W, 3-E, and 4-R to the four receiver units. The numbers
turn
the units on, the letters turn them off again. It is necessary to send
the pattern as a short pulse, half a second or so is
sufficient. If
you leave any output high for a long time, the unit will quickly have
its battery drained, because the signal is sent all the time.
As
usual, here is a link to the BBC BASIC file Mains
Controller
The
program is kept very simple.
Lines 260 to 390 interrogate the keyboard and send the required pattern
to PROCsend as soon as a legal key is pressed.
PROCsend
outputs this pattern to the output port of the Velleman board for half
a second, and then turns all ports off.
10 REM Mains controller 20 REM Version 1.0 30 REM Switch up to four mains units 35 REM Jochen Lueg 40 REM Limavady, February 2011 50 60 70 PROCinit 80 90 100 T%=50 110 SYS USB_OpenDevice%, 1: REM I'm using a Velleman board with address 01 120 SYS USB_ClearAllDigital% 130 140 REM Unit 1 On 1 Unit 1 Off Q 150 REM Unit 2 On 2 Unit 2 Off W 160 REM Unit 3 On 3 Unit 3 Off E 170 REM Unit 4 On 4 Unit 4 Off R 180 190 PRINT" Unit 1 On 1 Unit 1 Off Q " 200 PRINT" Unit 2 On 2 Unit 2 Off W " 210 PRINT" Unit 3 On 3 Unit 3 Off E " 220 PRINT" Unit 4 On 4 Unit 4 Off R " 230 PRINT 240 PRINT "Exit program S" 250 260 REPEAT 270 IF INKEY(-49) PROCsend(%00001100) 280 IF INKEY(-17) PROCsend(%00001000) 290 300 IF INKEY(-50) PROCsend(%00010100) 310 IF INKEY(-34) PROCsend(%00010000) 320 330 IF INKEY(-18) PROCsend(%00100100) 340 IF INKEY(-35) PROCsend(%00100000) 350 360 IF INKEY(-19) PROCsend(%01000100) 370 IF INKEY(-52) PROCsend(%01000000) 380 390 UNTIL INKEY(-82) 400 410 SYS USB_ClearAllDigital% 420 END 430 440 450 DEFPROCsend(Ports%) 460 SYS USB_WriteAllDigital%,Ports% 470 TIME=0 480 REPEAT UNTIL TIME>T% 490 SYS USB_ClearAllDigital% 500 ENDPROC 510 520 530 DEFPROCinit 540 REM Typing errors in routine name do not generate an error message - they just hang up the program. 550 SYS"LoadLibrary","K8055D.dll" TO USB_Board% 560 SYS"GetProcAddress",USB_Board%,"OpenDevice" TO USB_OpenDevice% 570 SYS"GetProcAddress",USB_Board%,"ReadAnalogueChannel",1 TO USB_ReadAnalogue% 580 SYS"GetProcAddress",USB_Board%,"SetAllDigital" TO USB_SetAllDigital% 590 SYS"GetProcAddress",USB_Board%,"CloseDevice" TO USB_CloseDevice% 600 SYS"GetProcAddress",USB_Board%,"ClearAllDigital" TO USB_ClearAllDigital% 610 SYS"GetProcAddress",USB_Board%,"ClearDigitalChannel" TO USB_ClearDigitalChannel% 620 SYS"GetProcAddress",USB_Board%,"SetDigitalChannel" TO USB_SetDigitalChannel% 630 SYS"GetProcAddress",USB_Board%,"WriteAllDigital" TO USB_WriteAllDigital% 640 ENDPROC 650 660
|